


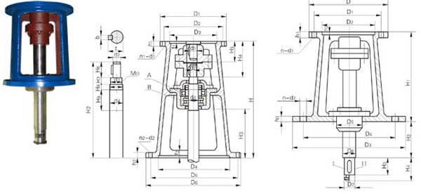
机架型号 | 减速机型号 | D1 | D2 | D3(H8) | D4(H9) | D5 | D6 | n1-d1 | n2-d2 | H | H2 | H3 | H4 | H5 | H6 | H8 | H8 | H9 |
JⅡ2 | B2 | 260 | 230 | 200 | 295 | 350 | 392 | 6-13.5 | 4-26 | 568 | 478 | 301 | 159 | 89 | 74 | 20 | 17 | 70 |
JⅡ3 | B3 | 340 | 310 | 270 | 345 | 400 | 442 | 6-13.5 | 4-26 | 675 | 575 | 358 | 178 | 101 | 81 | 37 | 20 | 82 |
JⅡ4 | B4 | 400 | 360 | 320(316) | 435 | 500 | 548 | 8-16 | 8-30 | 736 | 613 | 384 | 215 | 123 | 92 | 25 | 28 | 120 |
JⅡ5 | B5 | 490 | 450 | 400 | 440 | 550 | 600 | 12-18 | 12-22 | 835 | 685 | 363 | 280 | 150 | 130 | 44 | 40 | 142 |
JⅡ6 | B6 | 580 | 520 | 460(455) | 500 | 550 | 600 | 12-22 | 12-22 | 928 | 739 | 380 | 350 | 187 | 163 | 46 | 40 | 156 |
机架型号 | 减速机型号 | d1 | d2 | d3 | M0 | d4 (k6) | b | t | f1 | f2 | h1 | h2 |
JⅡ2 | B2 | 45 | 45 | 43 | M50×2 | 50 | 14 | 48.5 | 6 | 5 | 20 | 12 |
JⅡ3 | B3 | 55 | 55 | 63 | M65×2 | 65 | 16 | 59 | 6 | 5 | 20 | 24 |
JⅡ4 | B4 | 70 | 70 | 72 | M75×2 | 75 | 20 | 74.5 | 7 | 5 | 22 | 26 |
JⅡ5 | B5 | 90 | 90 | 95 | M100×2 | 100 | 25 | 95 | 8 | 7 | 26 | 28 |
JⅡ6 | B6 | 100 | 100 | 105 | M110×2 | 110 | 28 | 106 | 10 | 7 | 28 | 30 |